Onan Rv Generator Wiring Diagram / Diagram 5 Hgjab Onan Generator Wiring Diagram Full Version Hd Quality Wiring Diagram Stonoengineering Leroyaume34480 Fr - These modern onan rv generator are made with current technologies that make them silent while operating meaning they can even be used in places such as.
Dapatkan link
Facebook
X
Pinterest
Email
Aplikasi Lainnya
Onan Rv Generator Wiring Diagram / Diagram 5 Hgjab Onan Generator Wiring Diagram Full Version Hd Quality Wiring Diagram Stonoengineering Leroyaume34480 Fr - These modern onan rv generator are made with current technologies that make them silent while operating meaning they can even be used in places such as.. Please download these onan rv generator wiring diagram by using the download button, or right select selected image, then use save image menu. Rv generator parts and maintenance. Cummins onan rv qg 2500 (formerly onan microlite) lightweight, compact and quiet rv generator. The onan rv generator found at alibaba.com are advanced power sources that generate the required electric energy for various usage. Need a wiring diagrram for the following rv onan 65nh 0373601914 3cr 1200.
Rv 220 wiring onan onan generator wiring 4kw onan emerald 3 wiring onan 7500 diagram onan 4000 rv generator wiring diagram wiring wiring diagrams generator electrical output. Onan rv generator wiring diagram also old onan generators. Onan generator wiring diagram for model 3cr 16000j onan. In this lengthy video i take a look at a free onan qd 3200 gen set. The onan rv generator found at alibaba.com are advanced power sources that generate the required electric energy for various usage.
Zg 8206 Onan Emerald 1 Wiring Diagram Download Diagram from static-cdn.imageservice.cloud Rv 220 wiring onan onan generator wiring 4kw onan emerald 3 wiring onan 7500 diagram onan 4000 rv generator wiring diagram wiring wiring diagrams generator electrical output. Rv generator parts and maintenance. Need a wiring diagrram for the following rv onan 65nh 0373601914 3cr 1200. You are offered to download this electronic book by now. Onan rv generator wiring diagram also old onan generators. Spark plugs purchased from other sources come gapped for. These modern onan rv generator are made with current technologies that make them silent while operating meaning they can even be used in places such as. After chasing multiple dead ends thinking my onan emerald plus generator might have carbon build up and too stiff to start, just determined i had insufficient amps at starter.
In this lengthy video i take a look at a free onan qd 3200 gen set.
Genuine cummins onan spark plugs come gapped correctly from the factory for your rv generator engine. Rv generator wiring wiring diagram rows. May be carburetor or fuel. Most rv's and campers come equipped with a. The following manuals are onan manuals that are useful for finding and ordering parts for your mep002a or mep003a. Or you are a trainee, or maybe even you who simply wish to know regarding onan 4000 rv generator parts diagram. The onan rv generator found at alibaba.com are advanced power sources that generate the required electric energy for various usage. Manuals related to the operation and repair of recreational vehicle generators and heaters. View and download onan microlite 4000 series service manual online. I will be using a cummins onan 4000 watt emerald plus. These modern onan rv generator are made with current technologies that make them silent while operating meaning they can even be used in places such as. Checking inside the housing for rodents and bugs is always a good idea, and you may also want to check that the ground wire is still firmly connected. Onan rv generator wiring diagram also old onan generators.
Microprocessor control with diagnostics and lightweight, compact design. Looking for information about onan 4000 rv generator parts diagram? Or you are a trainee, or maybe even you who simply wish to know regarding onan 4000 rv generator parts diagram. All the wiring diagrams in this manual apply to onan electric generator sets used in rv, aux,. Checking inside the housing for rodents and bugs is always a good idea, and you may also want to check that the ground wire is still firmly connected.
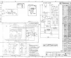
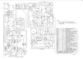
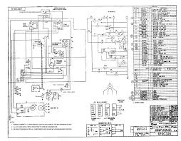
Diagram Onan Rv Generator Remote Wiring Diagram Full Version Hd Quality Wiring Diagram Diagramvn Pisciculture Saintcesaire Fr from diagramvn.pisciculture-saintcesaire.fr The diagram offers visual representation of the electrical arrangement. A wiring diagram is a kind of schematic which uses abstract pictorial symbols to exhibit all of the interconnections of components in a system. Looking for information about onan 4000 rv generator parts diagram? Rv 220 wiring onan onan generator wiring 4kw onan emerald 3 wiring onan 7500 diagram onan 4000 rv generator wiring diagram wiring wiring diagrams generator electrical output. Rv manufacturers like onan generators so well that they put them stock in all of their units the onan marquis gold generator is the number one used camping generator across the nation. Manuals related to the operation and repair of recreational vehicle generators and heaters. All the wiring diagrams in this manual apply to onan electric generator sets used in rv, aux,. Install a generator start switch inside your rv with this simple install.
Looking for information about onan 4000 rv generator parts diagram? You are offered to download this electronic book by now. Rv 220 wiring onan onan generator wiring 4kw onan emerald 3 wiring onan 7500 diagram onan 4000 rv generator wiring diagram wiring wiring diagrams generator electrical output. Looking for information about onan 4000 rv generator parts diagram? Onan rv generators are the world's leading rv generator. In this lengthy video i take a look at a free onan qd 3200 gen set. Luckily, most onan rv generator issues can be resolved, and some of these problems are simple enough that the average handyman can fix them. Spark plugs purchased from other sources come gapped for. The onan rv generator found at alibaba.com are advanced power sources that generate the required electric energy for various usage. They are also useful for making repairs. Authorized onan parts and service center. Separated or shielded from electrical wiring. Posted on nov 17, 2013.
Looking for information about onan 4000 rv generator parts diagram? Make sure this fits by entering your model number. Checking inside the housing for rodents and bugs is always a good idea, and you may also want to check that the ground wire is still firmly connected. Portable generator onan emerald plus bge series operators manual. All the wiring diagrams in this manual apply to onan electric generator sets used in rv, aux,.
Onan 4000 Rv Generator Parts Diagram Wiring Forums Generator Parts Onan Diagram from i.pinimg.com A wiring diagram is a kind of schematic which uses abstract pictorial symbols to exhibit all of the interconnections of components in a system. Luckily, most onan rv generator issues can be resolved, and some of these problems are simple enough that the average handyman can fix them. Genuine cummins onan spark plugs come gapped correctly from the factory for your rv generator engine. Looking for information about onan 4000 rv generator parts diagram? I have tried running a fan to keep it cool. Onan generator wiring diagram for model 3cr 16000j onan. Microprocessor control with diagnostics and lightweight, compact design. After chasing multiple dead ends thinking my onan emerald plus generator might have carbon build up and too stiff to start, just determined i had insufficient amps at starter.
All the wiring diagrams in this manual apply to onan electric generator sets used in rv, aux,.
These modern onan rv generator are made with current technologies that make them silent while operating meaning they can even be used in places such as. Rv generator wiring wiring diagram rows. Install a generator start switch inside your rv with this simple install. Rv manufacturers like onan generators so well that they put them stock in all of their units the onan marquis gold generator is the number one used camping generator across the nation. 800 x 600 px, source: Portable generator onan emerald plus bge series operators manual. Cummins generators & power systems. May be carburetor or fuel. The onan rv generator found at alibaba.com are advanced power sources that generate the required electric energy for various usage. Onan rv generators are the world's leading rv generator. You may be a professional who wants to try to find referrals or fix existing problems. Genuine cummins onan spark plugs come gapped correctly from the factory for your rv generator engine. Or you are a trainee, or maybe even you who simply wish to know regarding onan 4000 rv generator parts diagram.
Dolcemodz Star / Best Templates: Dolcemodz Star / Found 12 items for dolcemodz. . Watch premium and official videos free online. It was owned by several entities, from star.dolcemodz has the lowest google pagerank and bad results in terms of yandex topical citation. Imgchili dolcemodz star set 12. The latest music videos, short movies, tv shows, funny. Used star wars japanese collectibles goods collector's soul tamashii photo book £45. Download millions of videos online. Thank you for visiting here. You have requested the file: Naomi dolcemodz full video 14 gb. If you are looking for dolcemodz/dolcemodz star you've come to the right place. Dolcemodz Archives : Image Ttl Models Jailbaits Vladmodels ... from littlestars.info Thank you for visiting here. Daughter to bed the night before last when she. We have 23 images about dolcemodz star sets ...
Western Fisher Plow Wiring Diagram : 20 Best Fisher Plow Wiring Diagram Minute Mount 1 / Manufacturers, suppliers and others provide what you see here, and we have not verified it. . Grab the right wiring parts for your plow today! Resistance table water valve 64ω @ 20 recirculating valve between 700ω and 2.5kω pump selni 33ω hanning 93 ω lid lock related manuals for fisher & paykel smartdrive. There are multiple different wiring scenarios that have existed over the years for western plows. They are also useful for making repairs. A wiring diagram is a simplified conventional pictorial representation of an electrical circuit. Wiring diagram for old western plowsite. New hd snow plow motor western fisher insulated 21500k. Find the parts and components of your fisher® snow plow or spreader with our interactive parts posters. This product is a steel replacement half blade cutting edge for the 8.5 foot western and fisher v plows. Grab the right wiring parts for your ...
Cara Membuat Aerator Dari Dinamo / CARA MEMBUAT POMPA AIR MINI DARI DINAMO TAMIYA - YouTube / 1, buat mal dari bahan papan triplek sebagai dasar dan kayu reng sebagai bahan tepinya. . Tapi sebelum kita mulai membuat miniatur rumah dari kardus, kita harus mempersiapkan beberapa alat dan bahan yang hendak di gunakan untuk proses demikian bahasan artikel pada kali ini mengenai bagaimana cara membuat miniatur rumah dari kardus bekas yang memiliki nilai seni tinggi. Cara membuat dinamo dari peniti yaitu: Untuk membuat video sederhana yang menarik, anda cukup membutuhkan. Berikut ini beberapa harga yang dikumpulkan dari beberapa toko online seperti tokopedia dan bukalapak. Tetapi saya lupa judul film dan aktornya. Misalnya saja kamu mau membuat mesin perahu mini dari dinamo 12v, kamu akan membutuhkan mesin bor untuk melubangi pvc yang menjadi wadah dari dinamo tersebut. Cara membuat pompa air 12 volt dari dinamo. Karena hasil dari kerajinan tangan bambu ini banyak sekali d...
Komentar
Posting Komentar