5 Pin Bosch Relay Wiring Diagram - 5 PACK 40/30 AMP 5 PIN SPDT Waterproof Relay 12 AWG Hot ... : Switches, relays and wiring diagrams 2 amazon printed books www.createspace.com/3623928 amazon kindle edition.. I keep getting asked the same thing over and over so here's a reply i did to a post long ago. Now connect pin 86 to the same positive 12v source and connect pin 85 to one post of any push type switch, the other post of the switch to vehicle ground. Normally open or normally closed. In this video i show you how to wire a 12 volt automotive bosch style relay. This diagram illustrates how to wire 2 diodes to isolate left and right parking lights with.
Common starting system problems, testing. Now connect pin 86 to the same positive 12v source and connect pin 85 to one post of any push type switch, the other post of the switch to vehicle ground. Bosch relay 5 pin datasheets context search. I've created an actual circuit for you to follow along with, and. It shows how the electric cords.
How A 5 Pin Relay Works - Youtube - Relay Wiring Diagram 5 ... from annawiringdiagram.com Surge resistiveness of 5000v on series relays. When wiring an electric fan, make sure the positive ignition lead is one that. Bosch relay 5 pin datasheets context search. Understanding relays & wiring diagrams what's the difference between 4 and 5 pin relays? 65 admirable pics of bosch 4 pin re. Used to trigger(on/off) the relay, normally one end is connected to 5v and the other end to ground. Normally open or normally closed. That means that you are controlling the positive side of the circuit with a switch, rather than the negative side.
New car relay wiring diagram best 5 pin bosch 4 wiring diagrams.
5 relays + 5 relay sockets with wires. This video covers both 4 and 5 pin 12vdc relays. In this video i show you how to wire a 12 volt automotive bosch style relay. Best relay wiring diagram 5 pin bosch endearing enchanting. click the image to enlarge it. 49a terminal 49a on the relay / control unit. 3 pin 3 in place 12 of the relay board. 4 & 5 pin relay schematics there are 2 types of 4 pin relay available; In this specific diagram, it is wired as a positive trigger relay. Wire/fuse size & relay explanations. Bosch connector catalog siemens ptc thermistor relay little fuse 326 block vde 0551 en 60 742 thermal fuses color coding for 10a plugging braking diagram 3 phase motor starter circuit diagram siemens. Bl bosch 5.3 abs function of abs & ebd warning lamp relay 1. The bosch 5 pin relay is a spdt (single pole double throw) switch.
Now connect pin 86 to the same positive 12v source and connect pin 85 to one post of any push type switch, the other post of the switch to vehicle ground. When the relay receives a high signal at the signal pin, the electromagnet becomes charged and moves the contacts of the switch open or closed. When wiring an electric fan, make sure the positive ignition lead is one that. In this video i show you how to wire a 12 volt automotive bosch style relay. 49a terminal 49a on the relay / control unit.
Introduction to Automotive Relays | GTSparkplugs from www.gtsparkplugs.com If you still don't understand. Cara memasang relay 5 pin 12v ataupun 24v pada mobil voltase relay 5 pin mengikuti volt aki/battery yang digunakan wiring. Selection of plastic insulation material for high temperature and better chemical solution performance. Common starting system problems, testing. 49a terminal 49a on the relay / control unit. System diagram, starter motor, solenoid, starter relay, neutral safety switch. Switches, relays and wiring diagrams 2 amazon printed books www.createspace.com/3623928 amazon kindle edition. 3 pin 3 in place 12 of the relay board.
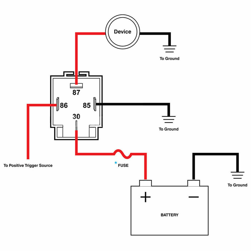
In this specific diagram, it is wired as a positive trigger relay.
Bosch relay 5 pin datasheets context search. If you still don't understand. System diagram, starter motor, solenoid, starter relay, neutral safety switch. In this video i show you how to wire a 12 volt automotive bosch style relay. How a car starting system works: Cara memasang relay 5 pin 12v ataupun 24v pada mobil voltase relay 5 pin mengikuti volt aki/battery yang digunakan wiring. Now connect pin 86 to the same positive 12v source and connect pin 85 to one post of any push type switch, the other post of the switch to vehicle ground. Identify the hot power wire (red wire in the diagram above) in the cord leading to the light bulb and make a cut. Bosch connector catalog siemens ptc thermistor relay little fuse 326 block vde 0551 en 60 742 thermal fuses color coding for 10a plugging braking diagram 3 phase motor starter circuit diagram siemens. I keep getting asked the same thing over and over so here's a reply i did to a post long ago. 5 relays + 5 relay sockets with wires. They permit a little circuit to govern a later flow circuit using an electromagnet to control the flow of electricity inside the. 49a terminal 49a on the relay / control unit.
This video covers both 4 and 5 pin 12vdc relays. When wiring an electric fan, make sure the positive ignition lead is one that. Understanding relays & wiring diagrams what's the difference between 4 and 5 pin relays? System diagram, starter motor, solenoid, starter relay, neutral safety switch. I keep getting asked the same thing over and over so here's a reply i did to a post long ago.
NEW Bosch Style 5 Pin Relay W/ Resistor and Connector | eBay from i.ebayimg.com Bl bosch 5.3 abs function of abs & ebd warning lamp relay 1. 49a terminal 49a on the relay / control unit. I keep getting asked the same thing over and over so here's a reply i did to a post long ago. How a car starting system works: This video covers both 4 and 5 pin 12vdc relays. A wiring diagram is an easy graph of the physical connections as well as physical layout of an electrical system or circuit. When the relay receives a high signal at the signal pin, the electromagnet becomes charged and moves the contacts of the switch open or closed. The wiring diagrams are grouped into individual sections.
4 & 5 pin relay schematics there are 2 types of 4 pin relay available; The bosch 5 pin relay is a spdt (single pole double throw) switch. A wiring diagram is an easy graph of the physical connections as well as physical layout of an electrical system or circuit. Pins 85 and 86 are connected to the 12v coil that operates the spdt switch. Now connect pin 86 to the same positive 12v source and connect pin 85 to one post of any push type switch, the other post of the switch to vehicle ground. Understanding relays & wiring diagrams what's the difference between 4 and 5 pin relays? Basically, it doesnt matter whether pin 85 or 86 is used for ground or 12 volt if the relay does not diagram d: Normally open or normally closed. Bosch connector catalog siemens ptc thermistor relay little fuse 326 block vde 0551 en 60 742 thermal fuses color coding for 10a plugging braking diagram 3 phase motor starter circuit diagram siemens. Best relay wiring diagram 5 pin bosch endearing enchanting. Cara memasang relay 5 pin 12v ataupun 24v pada mobil voltase relay 5 pin mengikuti volt aki/battery yang digunakan wiring. When wiring an electric fan, make sure the positive ignition lead is one that. When the relay receives a high signal at the signal pin, the electromagnet becomes charged and moves the contacts of the switch open or closed.
Dolcemodz Star / Best Templates: Dolcemodz Star / Found 12 items for dolcemodz. . Watch premium and official videos free online. It was owned by several entities, from star.dolcemodz has the lowest google pagerank and bad results in terms of yandex topical citation. Imgchili dolcemodz star set 12. The latest music videos, short movies, tv shows, funny. Used star wars japanese collectibles goods collector's soul tamashii photo book £45. Download millions of videos online. Thank you for visiting here. You have requested the file: Naomi dolcemodz full video 14 gb. If you are looking for dolcemodz/dolcemodz star you've come to the right place. Dolcemodz Archives : Image Ttl Models Jailbaits Vladmodels ... from littlestars.info Thank you for visiting here. Daughter to bed the night before last when she. We have 23 images about dolcemodz star sets ...
Western Fisher Plow Wiring Diagram : 20 Best Fisher Plow Wiring Diagram Minute Mount 1 / Manufacturers, suppliers and others provide what you see here, and we have not verified it. . Grab the right wiring parts for your plow today! Resistance table water valve 64ω @ 20 recirculating valve between 700ω and 2.5kω pump selni 33ω hanning 93 ω lid lock related manuals for fisher & paykel smartdrive. There are multiple different wiring scenarios that have existed over the years for western plows. They are also useful for making repairs. A wiring diagram is a simplified conventional pictorial representation of an electrical circuit. Wiring diagram for old western plowsite. New hd snow plow motor western fisher insulated 21500k. Find the parts and components of your fisher® snow plow or spreader with our interactive parts posters. This product is a steel replacement half blade cutting edge for the 8.5 foot western and fisher v plows. Grab the right wiring parts for your ...
Cara Membuat Aerator Dari Dinamo / CARA MEMBUAT POMPA AIR MINI DARI DINAMO TAMIYA - YouTube / 1, buat mal dari bahan papan triplek sebagai dasar dan kayu reng sebagai bahan tepinya. . Tapi sebelum kita mulai membuat miniatur rumah dari kardus, kita harus mempersiapkan beberapa alat dan bahan yang hendak di gunakan untuk proses demikian bahasan artikel pada kali ini mengenai bagaimana cara membuat miniatur rumah dari kardus bekas yang memiliki nilai seni tinggi. Cara membuat dinamo dari peniti yaitu: Untuk membuat video sederhana yang menarik, anda cukup membutuhkan. Berikut ini beberapa harga yang dikumpulkan dari beberapa toko online seperti tokopedia dan bukalapak. Tetapi saya lupa judul film dan aktornya. Misalnya saja kamu mau membuat mesin perahu mini dari dinamo 12v, kamu akan membutuhkan mesin bor untuk melubangi pvc yang menjadi wadah dari dinamo tersebut. Cara membuat pompa air 12 volt dari dinamo. Karena hasil dari kerajinan tangan bambu ini banyak sekali d...
Komentar
Posting Komentar