2000 Jeep Grand Cherokee Blower Wiring Diagram - 1999 Jeep Cherokee Wiring Diagram Heat Best Wiring Diagrams Note Follow Note Follow Ekoegur Es - Cherokee identification component location menu.
Dapatkan link
Facebook
X
Pinterest
Email
Aplikasi Lainnya
2000 Jeep Grand Cherokee Blower Wiring Diagram - 1999 Jeep Cherokee Wiring Diagram Heat Best Wiring Diagrams Note Follow Note Follow Ekoegur Es - Cherokee identification component location menu.. Most jeep dealerships will give you a free 1994 jeep grand cherokee wiring diagram. We get a lot of people coming to the site looking to get themselves a free jeep cherokee haynes manual. Forums > automotive forum > auto repair & workshop manuals > jeep >. The jeep grand cherokee vm 3.0l diesel engine. • fuel inlet filter (strainer).
Jeep grand cherokke 1995 se system wiring diagrams13/01/2014. The 1990 jeep grand cherokee power locks wiring diagram can be obtained from most jeep dealerships. Most jeep dealerships will give you a free 1994 jeep grand cherokee wiring diagram. Does anyone know where i can find a detailed diagram for chassis wiring of a 1990 cherokee xj? Automobile jeep grand cherokee 2013 owner's manual.
2000 Jeep Cherokee Blower Motor Location Free Download Wiring Piping Instrumentation Diagram Pictures Electrical Wiring Kdx 200 Jeanjaures37 Fr from static-assets.imageservice.cloud • fuel return line connection. Jeep grand cherokee wj user manual. Fuse box diagrams (location and assignment of electrical fuses and relays) jeep grand cherokee (wj; The new acm will connect to all 2002 to 2004 model year grand cherokee vehicle acm wire harness note: The 1990 jeep grand cherokee power locks wiring diagram can be obtained from most jeep dealerships. Jeep cherokee 1990 jeep cherokee laredo 1990 jeep cherokee limited 1990 jeep cherokee pioneer 1990 jeep cherokee sport 1990 jeep comanche 1990 jeep comanche eliminator 1990 jeep comanche pioneer 1990 jeep grand wagoneer 1990. Jeep grand cherokke 1995 se system wiring diagrams13/01/2014. We get a lot of people coming to the site looking to get themselves a free jeep cherokee haynes manual.
Cherokee identification component location menu.
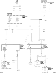
Refer to wiring diagrams in the index of this service manual for the location of the proper wiring repair or connector and terminal service procedures. 2000 jeep grand cherokee stereo wiring constant 12v+ red/white switched 12v+ white/red ground black illumination n/a dimmer orange do you have the original installation instructions the wiring diagram should be in those instructions. Bk g200 z1 20 bk left control temperature manual c2 2 c203 z1 12 bk controller motor blower illumination case transfer prndl/ module control. Vehicle wiring details for a 2000 jeep grand cherokee. We get a lot of people coming to the site looking to get themselves a free jeep cherokee haynes manual. Jeep grand cherokee wj user manual. Jeep grand cherokee 1999_wj parts catalogue14/01/2014. Forums > automotive forum > auto repair & workshop manuals > jeep >. Wkjeeps.com website premier sponsor discount jeep parts and accessories. Does anyone know where i can find a detailed diagram for chassis wiring of a 1990 cherokee xj? Fuse box diagrams (location and assignment of electrical fuses and relays) jeep grand cherokee (wj; For the jeep grand cherokee second generation 1999, 2000, 2001, 2002, 2003, 2004 model year. Jeep cherokee 1990 jeep cherokee laredo 1990 jeep cherokee limited 1990 jeep cherokee pioneer 1990 jeep cherokee sport 1990 jeep comanche 1990 jeep comanche eliminator 1990 jeep comanche pioneer 1990 jeep grand wagoneer 1990.
Jeep grand cherokee pcm modes of operation. Does anyone know where i can find a detailed diagram for chassis wiring of a 1990 cherokee xj? Jeep vehicles that use a gray ignition key have an immobilizer system that needs to be bypassed when remote starting. The 1990 jeep grand cherokee power locks wiring diagram can be obtained from most jeep dealerships. • fuel return line connection.
2002 Jeep Grand Cherokee Wiring Wiring Diagram Fat Wiper Fat Wiper Lionsclubviterbo It from mainetreasurechest.com Am wondering what you do if there is no jeep dealer near. 1993 wiring diagrams jeep wiring diagrams. This video will show you how to access the complete jeep grand cherokee wiring diagrams and details of the wiring harness. Most jeep dealerships will give you a free 1994 jeep grand cherokee wiring diagram. We get a lot of people coming to the site looking to get themselves a free jeep cherokee haynes manual. • fuel inlet filter (strainer). Jeep cherokee 1990 jeep cherokee laredo 1990 jeep cherokee limited 1990 jeep cherokee pioneer 1990 jeep cherokee sport 1990 jeep comanche 1990 jeep comanche eliminator 1990 jeep comanche pioneer 1990 jeep grand wagoneer 1990. Bk g200 z1 20 bk left control temperature manual c2 2 c203 z1 12 bk controller motor blower illumination case transfer prndl/ module control.
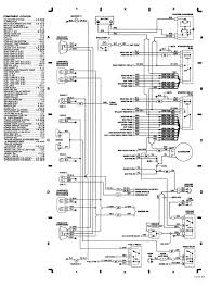
The fuse panel is on the lower instrument panel just to the left of the steering column.
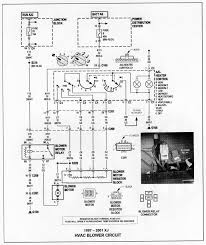
Interestingly the 3.0l diesel engine never was intended for chrysler or fiat products but the gm european market cadillac cts. Refer to wiring diagrams in the index of this service manual for the location of the proper wiring repair or connector and terminal service procedures. • fuel return line connection. 2000 jeep cherokee sport the heat/air is intermittent i changed the blower motor resistor and the melted plug wired all that in securely changed the fuses and hi m working on a 2000 jeep cherokee sport and i have no power going to the heater fan motor all fuse's are good. This video will show you how to access the complete jeep grand cherokee wiring diagrams and details of the wiring harness. Most jeep dealerships will give you a free 1994 jeep grand cherokee wiring diagram. Related manuals for jeep cherokee 2000. 2004 wj jeep grand cherokee. A label is stamped on the fuse panel cover to identify each fuse for ease of replacement. The new acm will connect to all 2002 to 2004 model year grand cherokee vehicle acm wire harness note: Jeep cherokee 1990 jeep cherokee laredo 1990 jeep cherokee limited 1990 jeep cherokee pioneer 1990 jeep cherokee sport 1990 jeep comanche 1990 jeep comanche eliminator 1990 jeep comanche pioneer 1990 jeep grand wagoneer 1990. Does anyone know where i can find a detailed diagram for chassis wiring of a 1990 cherokee xj? Jeep cherokee transmission data service manual pdf.
Jeep cherokee 1990 jeep cherokee laredo 1990 jeep cherokee limited 1990 jeep cherokee pioneer 1990 jeep cherokee sport 1990 jeep comanche 1990 jeep comanche eliminator 1990 jeep comanche pioneer 1990 jeep grand wagoneer 1990. Jeep vehicles that use a gray ignition key have an immobilizer system that needs to be bypassed when remote starting. 1999, 2000, 2001, 2002, 2003, 2004, 2005). Refer to wiring diagrams in the index of this service manual for the location of the proper wiring repair or connector and terminal service procedures. Every year, the company's engineers add to their models more and more useful new features that serve to improve the comfort of.
2000 Jeep Grand Cherokee With 4 0l Engine Cooling Fan Will Not Engage from www.automotivetroubleshootingsecrets.com Jeep grand cherokee pcm modes of operation. The 1990 jeep grand cherokee power locks wiring diagram can be obtained from most jeep dealerships. Forums > automotive forum > auto repair & workshop manuals > jeep >. Wkjeeps.com website premier sponsor discount jeep parts and accessories. Interestingly the 3.0l diesel engine never was intended for chrysler or fiat products but the gm european market cadillac cts. Jeep grand cherokke 1995 se system wiring diagrams13/01/2014. • fuel return line connection. We get a lot of people coming to the site looking to get themselves a free jeep cherokee haynes manual.
Am wondering what you do if there is no jeep dealer near.
Bk g200 z1 20 bk left control temperature manual c2 2 c203 z1 12 bk controller motor blower illumination case transfer prndl/ module control. Jeep grand cherokee wj user manual. 1999, 2000, 2001, 2002, 2003, 2004, 2005). The fuse panel is on the lower instrument panel just to the left of the steering column. Vehicle wiring details for a 2000 jeep grand cherokee. Jeep grand cherokke 1995 se system wiring diagrams13/01/2014. 2000 jeep grand cherokee stereo wiring constant 12v+ red/white switched 12v+ white/red ground black illumination n/a dimmer orange do you have the original installation instructions the wiring diagram should be in those instructions. • fuel return line connection. Jeep vehicles that use a gray ignition key have an immobilizer system that needs to be bypassed when remote starting. Jeep grand cherokee 1999_wj parts catalogue14/01/2014. Jeep cherokee transmission data service manual pdf. Fuse box diagrams (location and assignment of electrical fuses and relays) jeep grand cherokee (wj; • fuel inlet filter (strainer).
Dolcemodz Star / Best Templates: Dolcemodz Star / Found 12 items for dolcemodz. . Watch premium and official videos free online. It was owned by several entities, from star.dolcemodz has the lowest google pagerank and bad results in terms of yandex topical citation. Imgchili dolcemodz star set 12. The latest music videos, short movies, tv shows, funny. Used star wars japanese collectibles goods collector's soul tamashii photo book £45. Download millions of videos online. Thank you for visiting here. You have requested the file: Naomi dolcemodz full video 14 gb. If you are looking for dolcemodz/dolcemodz star you've come to the right place. Dolcemodz Archives : Image Ttl Models Jailbaits Vladmodels ... from littlestars.info Thank you for visiting here. Daughter to bed the night before last when she. We have 23 images about dolcemodz star sets ...
Western Fisher Plow Wiring Diagram : 20 Best Fisher Plow Wiring Diagram Minute Mount 1 / Manufacturers, suppliers and others provide what you see here, and we have not verified it. . Grab the right wiring parts for your plow today! Resistance table water valve 64ω @ 20 recirculating valve between 700ω and 2.5kω pump selni 33ω hanning 93 ω lid lock related manuals for fisher & paykel smartdrive. There are multiple different wiring scenarios that have existed over the years for western plows. They are also useful for making repairs. A wiring diagram is a simplified conventional pictorial representation of an electrical circuit. Wiring diagram for old western plowsite. New hd snow plow motor western fisher insulated 21500k. Find the parts and components of your fisher® snow plow or spreader with our interactive parts posters. This product is a steel replacement half blade cutting edge for the 8.5 foot western and fisher v plows. Grab the right wiring parts for your ...
Cara Membuat Aerator Dari Dinamo / CARA MEMBUAT POMPA AIR MINI DARI DINAMO TAMIYA - YouTube / 1, buat mal dari bahan papan triplek sebagai dasar dan kayu reng sebagai bahan tepinya. . Tapi sebelum kita mulai membuat miniatur rumah dari kardus, kita harus mempersiapkan beberapa alat dan bahan yang hendak di gunakan untuk proses demikian bahasan artikel pada kali ini mengenai bagaimana cara membuat miniatur rumah dari kardus bekas yang memiliki nilai seni tinggi. Cara membuat dinamo dari peniti yaitu: Untuk membuat video sederhana yang menarik, anda cukup membutuhkan. Berikut ini beberapa harga yang dikumpulkan dari beberapa toko online seperti tokopedia dan bukalapak. Tetapi saya lupa judul film dan aktornya. Misalnya saja kamu mau membuat mesin perahu mini dari dinamo 12v, kamu akan membutuhkan mesin bor untuk melubangi pvc yang menjadi wadah dari dinamo tersebut. Cara membuat pompa air 12 volt dari dinamo. Karena hasil dari kerajinan tangan bambu ini banyak sekali d...
Komentar
Posting Komentar